Jicky 50

La marque française ARCO sort le « JICKY 50 » en 1949. C’est un petit poste de chevet, tous courants, alimenté en 110 volts continus ou alternatifs qui dispose de 5 lampes. Il capte GO et PO. D’autres versions existent, soit uniquement en PO, ou encore PO et OC.

Le poste est très sale et seul le boitier semble en bon état. Le châssis est rouillé à plusieurs endroits et seul scier les boutons et vis de maintien permet d’extraire le châssis. Les problèmes sont nombreux : aucune lampe n’est présente, le potentiomètre de volume est en miette, le contacteur de gamme est cassé et irréparable, la membrane du haut-parleur est en lambeau… Beaucoup de travail en perspective !

Je commence par démonter les composants du châssis, dérouiller et repeindre celui-ci. Le plus préoccupant est la réparation du contacteur de gamme du bloc d’accord. La solution viendra d’un bloc récupéré sur une épave. Il a l’avantage de disposer de 3 gammes alors que le bloc d’origine n’en a que 2.

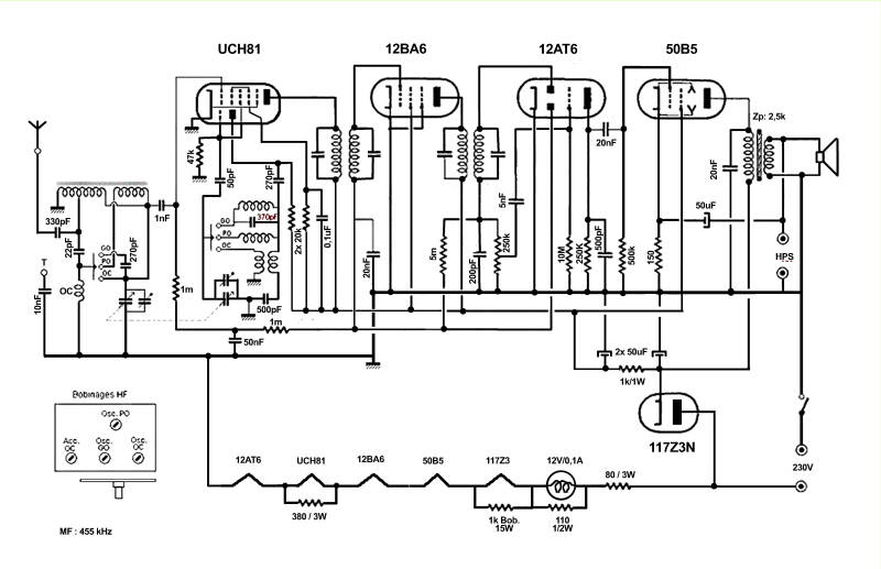
Cependant il est prévu pour fonctionner avec une triode-heptode ECH81, alors que le poste est équipé à l’origine d’une heptode de type 12BE6 (1). Je remplace cette dernière par une UCH81. Comme sa consommation filament n’est que de 100mA, alors que la chaîne en consomme 150mA, il faut placer une résistance en parallèle de 380Ω pour équilibrer les courants. Ne disposant pas de valve 35W4, je monte en remplacement une 117Z3N (chauffage 117V/40mA). J’envisage alors une utilisation directement sur le secteur 230 Volts. Avec la nouvelle série de lampe, et une ampoule cadran de 12V, la tension de chauffage est de 222V.  Une résistance en série de 68Ω portera la tension à 232V. La chaîne filament est à présent cohérente mais il faut toutefois dériver 110mA sur la 117Z3N, ce qui se fera avec une résistance bobinée d’1KΩ / 15W. C’est beaucoup d’énergie perdue, mais ce n’est pas pire qu’à l’époque où l’on plaçait une résistance chutrice pour passer de 110 à 220 volts. Le haut-parleur sera changé par un modèle de récupération. Les condensateurs sont majoritairement remplacés, l’étage HF reconstruit. Les transfos MF sont réglés sur 455 kHz. Les premiers essais sont corrects. Le remplacement de la ficelle d’entrainement et la mise en place d’une ampoule de cadran achèveront la restauration.

(1) Le fonctionnement est toutefois possible mais le résultat sera meilleur avec une triode-heptode.

Le nouveau schéma.

Schéma original du poste.

Créez votre propre site internet avec Webador