GRID-DIP GRUNDIG 701

 

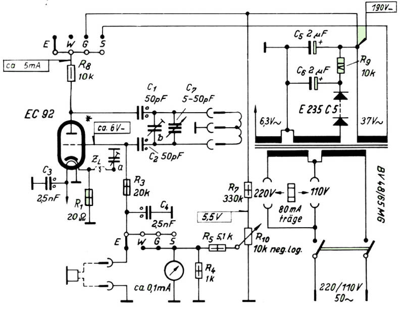
Le grid-dip modèle 701 de Grundig, appelé aussi dipmètre, est un instrument de mesure permettant d’estimer la fréquence de résonance de circuits accordés, bobines ou antennes par exemple. Conçu autour d’une lampe triode, EC92, et alimenté par le secteur 110 ou 220 volts,  l’appareil dispose de 4 modes de fonctionnement.

-  Réception : l’oscillateur peut être accordé sur un émetteur et sa fréquence de modulation est présente sur la prise casque.

-  Grid Dip : la bobine (interchangeable) de l’appareil est approchée du circuit à mesurer. En manœuvrant le CV, il faut chercher la déviation minimum et lire alors la fréquence sur le cadran, qui correspond à la fréquence de résonance du circuit mesuré.

-  Émission : l’oscillateur est modulé en amplitude à 50 Hz et peut être couplé inductivement au récepteur en tant qu’oscillateur de test.

-  Ondemètre : mesure la fréquence d’oscillateurs, par induction de la bobine dans le circuit. La fréquence recherchée correspond à la course maximale du galvanomètre.

 

Gammes couvertes par bobines interchangeables : 1,7-3,7 MHz, 3,7-8 MHz, 8-17 MHz, 17-40 MHz, 40-100 MHz, 100-250 MHz.

 

Après remplacement du fusible et nettoyage des contacts, le grid-dip est à nouveau fonctionnel.

 

 

 

 

 

 

 

 

 

 

 

 

 

 

 

 

 

 

 

 

 

 

 

 

 

 

 

 

 

 

 

 

 

 

 

 

 

 

 

 

 

 

 

 

 

 

 

 

 

 

Créez votre propre site internet avec Webador