PHILIPS B2F72A

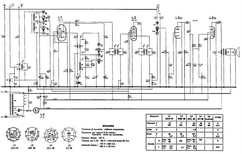
Ce poste PHILIPS B2F72A date de 1958. Il est équipé de 4 lampes et capte ondes courtes, petites et grandes ondes en modulation d’amplitude. Plusieurs composants manquants ont dû être retrouvés pour sa remise en état : haut-parleur, interrupteur marche/arrêt, lampe UCL82. Une fois les condensateurs HS remplacés, le poste présentait encore plusieurs défauts : les contacts du sélecteur de gamme étaient particulièrement oxydés et la bombe contact n’ayant pas été efficace, un démontage a été nécessaire pour effectuer un nettoyage en profondeur,. Puis contrôle de la partie BF, de l’oscillateur local, mais toujours pas de réception. Je cherche du coté des MF et m’aperçoit après démontage d’un transfo, que l’un des noyaux ferrite est désolidarisé de sa vis de réglage. Ce problème est assez courant sur ce type de transfo. Le noyau ferrite recollé à la super glu sur sa vis permet à nouveau le réglage (455kHz). Cette fois des stations se font entendre. Il reste à nettoyer et restaurer le boitier qui présente quelques fêlures sur la face avant. Colle, enduit de lissage et peinture bombe redonne l’aspect du neuf.

Le châssis hors du boitier.

Détail haut-parleur et platine d'amplification MF.

Châssis vu de dessous.

Adaptation d'un inter marche/arrêt

Le cache avant démonté pour remise en peinture.

Année : 1958

Lampes : UCH81  UBF80  UCL82  UY85

Games : PO, GO, OC

MF : 455 kHz

Alimentation : CA 116/ 230V

HP dynamique : 11,4 cm

Matière : plastique bicolore

Dimensions : 280 X 187 X 180 mm

Poids : 3,5 kg

Créez votre propre site internet avec Webador