PHILIPS BF213U

Voici un poste de chevet récupéré en triste état : boitier cassé à plusieurs endroits, tissu repeint en piteux état, plusieurs composants en errance dans le châssis... J’ai hésité avant d’entreprendre la restauration puis je me suis lancé. Changement du tissu, réfection du boitier, remise en état de l’électronique. Un bon point cependant, je n’ai pas eu à retoucher les transfos MF qui étaient encore parfaitement réglée. Le BF213U de Philips est identique au RA26U de Radiola. Seuls quelques éléments du boitier diffèrent.

Un état déplorable...

Réfection du boitier : un tube de stylo pour l'arrondi, mastic, ponçage et remise en peinture à la bombe couleur ivoire.

Changement du tissu.

Châssis nettoyé.

Le câblage (presque) d'origine.

Câblage après remise en état.

Le poste remis dans son boitier.

Carton arrière.

Plan d'implantation des composants.

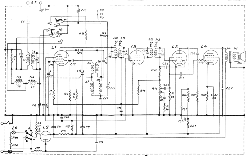
Schéma du poste.

Année: 1951

Lampes : UCH42  UF41   UBC41  UL41 UY41

Gammes : PO, GO

MF : 455 kHz

Alimentation : CA 110/127/220V

HP dynamique 12 cm - 4Ω

Matière : plastique couleur ivoire

Dimensions : 260 x 190 x 160 mm

Poids : 2,5 kg