MARCONI BABY41

Voici un petit poste au look original, le « Marconi Baby 41 » conçu en 1952, il est de dimensions très réduites pour la technologie de l’époque avec ses 21 cm de large, 16 en hauteur et 9 cm d’épaisseur. Équipé de 4 lampes, il reçoit 3 gammes d’ondes (PO-OC-GO) et s’alimente via le secteur 110v alternatif ou continu. Le raccordement d’une antenne extérieure est indispensable pour son fonctionnement. A cet effet quelques mètres de fil peuvent déjà convenir. Le châssis est très bien étudié et bien que compact, tous les composants restent facilement accessibles une fois le haut-parleur déposé. Le boitier est composé de demi-coquilles assemblées entre elles par des glissières latérales. Ainsi, il n’y a aucune vis à retirer pour extraire le châssis du boitier. Je n’ai pas eu à intervenir sur le poste, l’ancien propriétaire s’en étant occupé. Clin d’œil, la promotion du poste a été réalisée entre autres par Édith Piaf.

Pour accéder aux composants le démontage du HP est indispensable.

Les condensateurs avaient déjà été changés par l'ancien propriétaire.

Châssis, face opposée au HP

Châssis vue coté droit.

Châssis vue coté gauche.

L'ouverture s'effectue en faisant coulisser les glissières latérales.

Le boitier est constitué de deux demi-coquilles.

Vue de dessus.

Vue de dessous.

Promotion par Edith Piaf.

Année: 1952

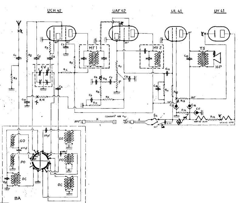
Lampes : UCH42  UAF42  UL41  UY41

Gammes : PO, GO, OC

Alimentation : CC / CA 110V

HP dynamique : 10 cm

Matière boitier  plastique

Dimensions : 210 x 160 x 90 mm

Poids  1,8 kg

Créez votre propre site internet avec Webador