RADIOLA RA11U

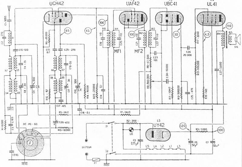
Le RADIOLA RA11U connu aussi sous le nom de radiolinette est un petit poste de chevet prévu pour fonctionner sous 110 volts continus ou  alternatifs. Il est équipé de 5 lampes de la série « rimlock » et capte GO, PO et OC de 6 à 18,5 mHz. La petite taille du châssis impose un câblage très serré qui ne facilite pas le travail du dépanneur. En l’occurrence il n’y a eu que quelques condensateurs à changer pour faire retrouver une réception correcte. Le châssis et le boitier ont été démonté pour procéder à un nettoyage profond.

Le même appareil a été fabriqué par Philips sous l'appelationl BF101U

Peu d'espace vide dans le boitier.

La façade avant.

Châssis compact mais équilibré.

Câblage dense !

Année 1950

Lampes : UCH42  UAF42  UBC41  UL41  UY41

Gammes : GO, PO, OC,

MF 455 kHz

Haut-parleur : dynamique ovale
Alimentation : tous courants 110 volts
Matière : plastique

Dimensions : 230 x 130 x 140 mm

Poids 2,2 kg

Créez votre propre site internet avec Webador