RADIALVA SUPER AS57

Le « RADIALVA SUPER AS 57 » voit le jour en 1956. Petit poste tous courants il fonctionne en 110 volts ou en 220 volts moyennant l’installation d’un autotransformateur à un emplacement réservé du châssis. Équipé de 5 lampes, il dispose de 5 gammes d’ondes (PO-GO et 3 OC). Les circuits oscillants d’accord antenne et de l’oscillateur local sont montés sur la face supérieure du châssis et protégés chacun par un blindage.

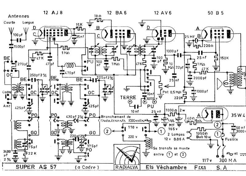
Si les réglages de l’oscillateur local sont bien accessibles, ceux du circuit d’accord le sont beaucoup moins.

Après nettoyage, remplacement des condensateurs chimique, tous en court-circuit, et échange des condensateurs papier, tous « fuiteux », je procède à un premier essai. La commande de volume se révèle peu efficace. Un potentiomètre de 50k monté à la place d’un 500k en est la raison. Son remplacement règle le problème. Toutes les gammes fonctionnent sauf les PO. L’oscillateur local est en panne sur cette gamme. Un condensateur mica de 585pF +/- 2% du circuit oscillant est coupé. Pour le remplacer, à défaut d’avoir la bonne valeur, j’ai mis en parallèle un 420pF et un 150pF, ce qui donne en théorie 570pF. La mesure pratique m’indique 583 pF ce qui est parfait pour 2% de tolérance préconisée. L’oscillateur fonctionne à nouveau sur cette gamme. Cette panne est relativement rare car en général les condensateurs mica sont très fiables. Les deux ampoules de cadran sont HS. Ce sont des 12V- 0,1A…que je n’ai pas. Je décide de les remplacer par deux morceaux de bandes Led alimentées en 12V. Un condensateur de 200nF suivi d’une zener de 11V assure l’alimentation directement sur 110V.

L’électronique étant terminée, je poursuis par le nettoyage du boitier et le remplacement du tissu de la face avant qui est passablement dégradé. Je n’ai pas exactement le même mais il s’harmonise assez bien avec le poste. Cette version du poste est la « Colonial-Maritime ». Le même existe en version cadre ferrite avec PO-GO-OC-BE.

 

Le tissu de la face avant esT dégradé.

Le poste avec un tissu neuf.

Bloc d'accord et oscillateur sont situés à la verticale du châssis chacun dans un blindage propre.

Le poste en cours de nettoyage.

Châssis avec composants d'origine.

Les condensateurs défectueux sont remplacés.

Le châssis vue de dessus.

L'éclairage de la face avant est amélioré avec une petite bande LED.

Assez peu commun, les bobinages d'oscillateurs et d'accord sont situés à la verticale du châssis dans des blindages qui pourraient laisser penser à des transformateurs MF.

L'absence d'oscillation en PO était due à un condensateur mica HS.

Changement du tissu de la face avant.

Le cadran est en plexiglas et non en verre ce qui est plutôt rare en 1952.Les ondes courtes s'étendent sans trou de 1.6 mHz à 25 mHz en trois sous gammes.

Année 1952

Lampes : UCH42  UF41  UBC41  UL41   UY41

4 gammes : GO PO OC BE
Haut-parleur : dynamique 13 x 19 cm
Alimentation : tous courants 110-220 volts
Matière : plastique

Dimensions : 300 x 190 x 180 mm

Poids : 4,3 kg

Créez votre propre site internet avec Webador