AMPLIFICATEUR HF A TRANSISTOR POUR ANTENNE CADRE

A défaut de disposer d'un bonne antenne extérieure, les antennes cadres amplifiés pour postes TSF sont relativement faciles à trouver et présentent un intérêt indéniable pour améliorer la réception. Elles sont généralement conçues pour recevoir les GO, PO et OC. Elles disposent d'un circuit accordé et d'un commutateur de gamme. Une lampe, souvent une penthode HF, assure la préamplification du signal. Les deux fils de sortie de l'antenne se raccordent sur les prises antenne et terre du poste. Certaines antennes sont pourvues de leur propre alimentation secteur, d'autres non. Dans ce dernier cas, c'est sur le poste lui-même qu'il faut aller chercher la haute tension et les 6,3 volts pour le chauffage. Une douille "voleuse" intercalée sur un support de lampe assure l'opération. La mise en œuvre est très simple. Positionner le sélecteur de gamme sur la gamme correspondante à celle affichée sur le poste. Tourner le bouton du CV pour avoir le maximum de réception. En l'absence d'émission, c'est le niveau du bruit de fond qui augmente lorsque l'accord est correct. Enfin, si nécessaire, orienter l'antenne pour optimiser la réception ou diminuer d'éventuels parasites.

 

 

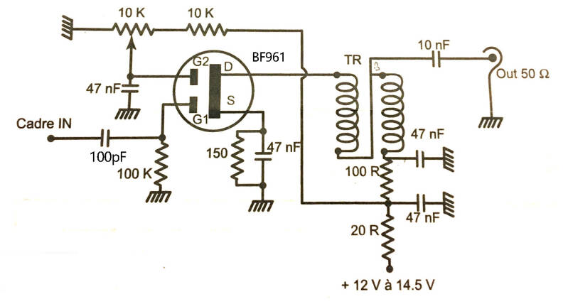
Une modification intéressante consiste à remplacer la lampe par un préamplificateur à transistor alimenté par pile. Le cadre, les bobines et le CV sont bien sûr conservés. Plusieurs schémas sont disponibles sur le net. J'ai retenu un montage simple proposé par Bernard MOUROT - F6BCU, qui me donne entière satisfaction. La description du montage est à télécharger en pdf en bas de page.  

Montage d'origine.

Antenne modifiée.

Schéma du préamplificateur

(Le montage fonctionne déjà très bien avec une pile de 9 volts).

Réalisation du transfo HF à partir d'une self VK200

Quelques modèles d'antennes cadre amplifiées.

Créez votre propre site internet avec Webador