JUPITER RU4710

Poste propriété de l'AGEAT.

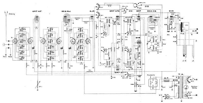
Le RU4710 de JUPITER date des années 50 et a notamment servi au sein de l’aéronautique civile. C’est un récepteur de trafic à 10 lampes couvrant en 6 gammes les fréquences de 100 kHz à 30 mHz. Il reçoit les émissions en modulation d’amplitude, et aussi en CW et BLU grâce à un BFO. L’étage d’entrée comprend un amplificateur HF accordé. L’oscillateur local et le mélangeur sont confiés à deux lampes différentes. La chaîne MF comprend deux amplificateurs distincts. L’un accordé sur 80 kHz pour les fréquences de 100 à 600 kHz (gammes 1 et 2), l’autre accordé sur 472 kHz pour les gammes au-dessus de 600 Khz. Les transformateurs moyenne fréquence disposent de bobinages commutables permettant de modifier la sélectivité. Une double diode (6H6) est affectée au contrôle automatique de gain (CAG). Le gain HF est réglable à partir d’un potentiomètre en façade qui agit sur la polarisation des tubes HF.

Pour remettre en route ce poste, outre un bon nettoyage et la réimpression des indications du cadran, il a fallu changer une lampe, tous les condensateurs chimiques et papiers, quelques résistances, et procéder au réglage des transformateurs MF. La seule petite modification apportée est l’adjonction d’une bande Led blanche assurant l’éclairage du cadran où rien n’était prévu d’origine.

Câblage sur plaque bakélite à cosses. Les condensateurs sont neufs.

Sur la droite, les bobinages du bloc HF sans son blindage.

Le cadran en mauvais état a été refait  à l'identique. (Téléchargeable en haute définition en bas de page).

Détail du BFO. Blindage retiré

Année  +/- 1950

Fréquences : 100 kHz à 30 mHz en 6 gammes

Réception : AM – CW – BLU

Sensibilité : environ 1 uV

Lampes : 3x 6M7 - 2x 6E8 – 6J5 – 6Q7 – 6H6 – 6V6 – 5Y3

Alimentation secteur 110 à 250 volts – Batteries

Sorties : casque et HP extérieur

Dimensions : 585 x 285 x 390 mm

Poids 30,2 kg

 

 

 

 

 

 

 

 

 

 

 

 

 

 

 

 

 

 

 

 

 

 

 

 

 

 

 

 

 

 

 

 

Créez votre propre site internet avec Webador