PHILIPS BA211U

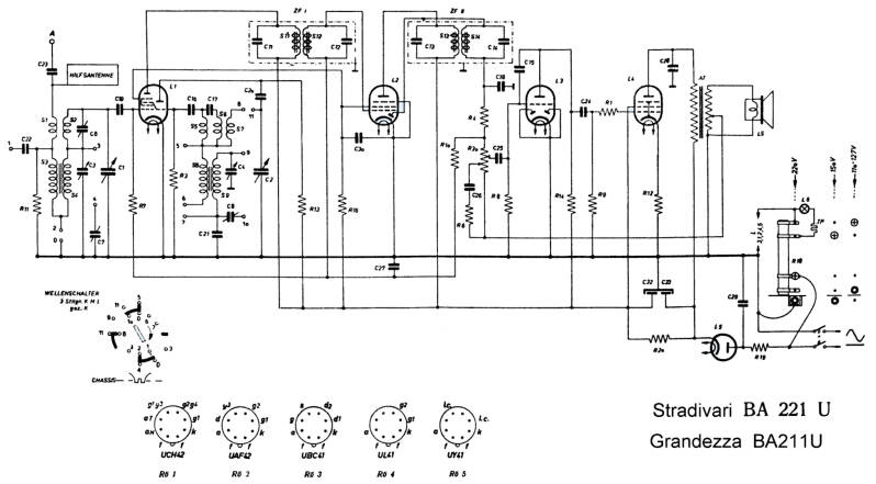
Le BA211U  est une production de Philips Autriche. Ce petit poste de 1951 est un modèle tout courant fonctionnant de 110 à 220 volts et recevant GO, PO et OC. Les cinq lampes utilisées sont de la série Rimlock (UCH42-UAF42-UBC41-UL41-UY41). Le boitier est en bakélite.

Ce poste était la propriété d’un autre passionné qui en avait débuté la restauration. Il ne me reste donc qu’à finaliser le travail. Soit, insérer les condensateurs de filtrage dans l’ancien contenant, puis procéder aux essais (sous 110 volts car il manque la résistance chutrice permettant l’alimentation sur des tensions supérieures). La réception en GO et PO est correcte mais rien en OC. Un condensateur dans le circuit HF n’avait pas encore été remplacé et cela empêchait le bon fonctionnement de cette gamme. Les OC sont revenues mais les oscillations sont faibles et décrochent en bout de bande. Le remplacement de la lampe UCH42 résout le problème.

N’ayant pas de résistance chutrice d’origine pour le circuit d’alimentation, je décide d’alimenter ce poste uniquement en 230 volts. Pour cela une diode 1N4007 est insérée en série dans l’alimentation secteur ce qui permet aux lampes de chauffer sans l’adjonction d’une résistance chutrice (étant alimentées une alternance sur deux). La haute tension en revanche est beaucoup trop élevée et doit être rabaissée. C’est une résistance bobinée de 1200 Ω insérée entre la cathode de la valve et le premier condensateur de filtrage qui fera chuter la tension. Autre petite modification ; le remplacement de l’ampoule cadran par une Led. L’ampoule d’origine, absente, doit être une12V/0,1A. Je n’en ai pas ! D’autre part, celle-ci est insérée en série dans le circuit de chauffage ce qui la fragilise au démarrage du poste en raison de la surtension à ses bornes quand les lampes sont encore froides. En outre, si celle-ci claque, le poste devient complètement muet. La Led en remplacement, de couleur « blanc chaud », est montée en parallèle avec une résistance de 15 Ω, et l’ensemble insérée en série dans le circuit de chauffage (voir photo). Reste quelques détails à régler : remettre une ficelle d’entrainement du CV, fabriquer un logo et un carton arrière car je n’ai ni l’un, ni l’autre. 

Il manque ici la résistance chutrice pour ajuster les tensions du secteur.

Le fil d’entrainement du CV est mal positionné et doit être repris.

La majorité des condensateurs a été remplacé.

La résistance de 1.2 kohms (verte) assure un fonctionnement directement sur 230v. Elle est  insérée dans le circuit HT après redressement.

 

 

 

 

 

 

 

 

 

 

 

 

 

 

 

 

 

 

 

 

 

 

 

 

 

 

 

 

 

 

 

 

 

 

 

 

 

 

 

 

Créez votre propre site internet avec Webador